+86-0523-83274900
Accoppiamenti adattatori Storz - Flangiato
Casa / Prodotto / Adattatori / Accoppiamenti adattatori Storz - Flangiato

Accoppiamenti adattatori Storz - Flangiato

Gli accoppiamenti adattatori vengono utilizzati per connettersi o convertire tra diversi standard e tipi di raccordi. Consentono di collegare senza soluzione di continuità interfacce altrimenti incompatibili.

Gli accoppiamenti dell'adattatore includono, ma non sono limitati a: Da tedesco a Storz (maschio/femmina), tedesco a silvicoltura, da tedesco a tedesco, tedesco a flangia, tedesco a multi-dogco, maschio Storz a Storz femmina, Storz alla silvicoltura, ecc.
Tutti i tipi di accoppiamenti di adattatore possono essere personalizzati su richiesta.

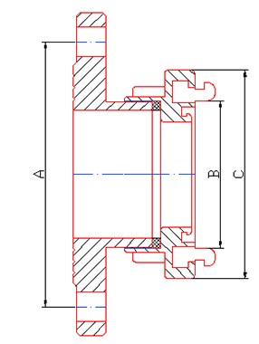
Dimensioni Risorse

Articolo n.

Din/mm

Dia

A/mm

B/mm

C/mm

/

80

3 "

160

89

126

Piccolo100

4 "

180

115

156

Piccolo standard americano 100 ()

4 "

190.5

115

156

Big 100

4 "

180

133

182

Big 100 (American Standard)

4 "

190.5

133

182

150

6 "

240

160

215

150 (Standard americano)

6 "

241.3

160

215

200

8 "

295

220

280

200 (Standard americano)

8 "

298.5

220

280

250

10 "

355

278

339

250 (Standard americano)

10 "

362

278

339

300

12 "

410

316

384

300 (Standard americano)

12 "

431.8

316

384

350

14 "

470

366

448

350 (Standard americano)

14 "

476.3

366

448

* I materiali e i processi di produzione possono essere personalizzati su richiesta.
* Altri requisiti (come la pressione di lavoro, la pressione di scoppio, ecc.) Possono anche essere personalizzati secondo necessità.

Jiangsu Jinding Fire Protection Technology Co., Ltd.
Jiangsu Jinding Fire Protection Technology Co., Ltd., situata nella zona di sviluppo economico di Jiang Su Xinghua, è stata fondata nel 1998. È una società industriale che integra progettazione, sviluppo, produzione e vendite. La società ha superato la certificazione del sistema di qualità ISO9001: 2015 e la certificazione volontaria del prodotto e i prodotti correlati hanno ottenuto il rapporto di ispezione del Centro di supervisione e ispezione della qualità delle apparecchiature antincendio nazionali.
La nostra azienda produce principalmente diverse serie di prodotti, tra cui raccordi antincendio, ugelli per l'acqua, idranti, raccordi per tubi di grande diametro e raccordi per l'approvvigionamento idrico nei giacimenti petroliferi. Questi prodotti sono ampiamente utilizzati nei settori antincendio, petrolifero, chimico, militare e in altri settori.
La società ha una buona capacità indipendente di R&S e ha un set completo di processi di produzione come la produzione di stampi, la lavorazione della produzione e i test del prodotto. Allo stesso tempo, l'impresa attribuisce importanza ai requisiti dei clienti, afferra tempestivamente le dinamiche di mercato, sviluppa continuamente e produce nuovi prodotti e vince la fiducia e la lode di nuovi e vecchi clienti.
L'azienda fornisce servizi affidabili Accoppiamenti adattatori Storz - Flangiato e servizi professionali basati sull'impegno per la qualità e su partnership collaborative, sforzandosi di costruire relazioni di cooperazione sostenibili con i clienti.
27+

27 anni di industria Esperienza di produzione

Certificati
Notizia
Facciamo una conversazione
Saluta e inizieremo una fruttuosa collaborazione. Inizia la tua storia di successo.
Hai bisogno di attrezzature per la tua attività?
Lascia che il nostro team ti fornisca soluzioni personalizzate.