+86-0523-83274900
Accoppiamento filettato da John Morris

Accoppiamento filettato da John Morris

L'accoppiamento filettato da John Morris appartiene alla serie di accoppiamento John Morris, con un'estremità con un filo interno o esterno e l'altra estremità con un scanalatura dell'accoppiamento.
Questo accoppiamento è usato Collegare i tubi antincendio e le attrezzature antincendio (come pompe antincendio, tubi antincendio e idranti).

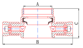
Dimensioni Risorse

Articolo n.

Din/mm

Dia

A/mm

B/mm

C/mm

Kyk

65/50

2,5 "/2"

G2 "

182

76

65

2,5 "

G2.5 "

182

76

* I materiali e i processi di produzione possono essere personalizzati su richiesta.
* Altri requisiti (come la pressione di lavoro, la pressione di scoppio, ecc.) Possono anche essere personalizzati secondo necessità.

Jiangsu Jinding Fire Protection Technology Co., Ltd.
Jiangsu Jinding Fire Protection Technology Co., Ltd., situata nella zona di sviluppo economico di Jiang Su Xinghua, è stata fondata nel 1998. È una società industriale che integra progettazione, sviluppo, produzione e vendite. La società ha superato la certificazione del sistema di qualità ISO9001: 2015 e la certificazione volontaria del prodotto e i prodotti correlati hanno ottenuto il rapporto di ispezione del Centro di supervisione e ispezione della qualità delle apparecchiature antincendio nazionali.
La nostra azienda produce principalmente diverse serie di prodotti, tra cui raccordi antincendio, ugelli per l'acqua, idranti, raccordi per tubi di grande diametro e raccordi per l'approvvigionamento idrico nei giacimenti petroliferi. Questi prodotti sono ampiamente utilizzati nei settori antincendio, petrolifero, chimico, militare e in altri settori.
La società ha una buona capacità indipendente di R&S e ha un set completo di processi di produzione come la produzione di stampi, la lavorazione della produzione e i test del prodotto. Allo stesso tempo, l'impresa attribuisce importanza ai requisiti dei clienti, afferra tempestivamente le dinamiche di mercato, sviluppa continuamente e produce nuovi prodotti e vince la fiducia e la lode di nuovi e vecchi clienti.
L'azienda fornisce servizi affidabili Accoppiamento filettato da John Morris e servizi professionali basati sull'impegno per la qualità e su partnership collaborative, sforzandosi di costruire relazioni di cooperazione sostenibili con i clienti.
27+

27 anni di industria Esperienza di produzione

Certificati
Notizia
Facciamo una conversazione
Saluta e inizieremo una fruttuosa collaborazione. Inizia la tua storia di successo.
Hai bisogno di attrezzature per la tua attività?
Lascia che il nostro team ti fornisca soluzioni personalizzate.